RX水泥電阻器(Z型)
型 號:RXZ型
材 質:高頻陶瓷
工 藝:普通線繞
性 能:通用
精 度:±5%
功率特性:中功率
頻率特性:中頻
營銷方式:工廠直銷
產品價格:根據具體參數和數量而定,詳情請聯系我們的在線客服或撥打我們的訂購熱線.
型 號:RXZ型
特 點:電子陶瓷棒芯,陶瓷外殼,阻值范圍寬,阻燃耐高溫,比功率大,安全可靠,絕緣性能好
應 用:適用于交直流、脈沖電路的分壓、限流和負載
使用環境:額定功率溫度(+70℃);使用用溫度范圍(-55℃~+275℃)
結構形式:底部腳片引出型焊接安裝
適用標準:GB/T5729-2003 GB5732-85 SJ2862~64-88
產品優勢:本水泥電阻選用電子陶瓷做棒芯,優質耐火泥灌封,將電阻線繞在無堿性耐熱瓷件上,外加上耐熱、耐潮濕、耐腐蝕的陶瓷外殼做保護固定。具有耐震、耐濕、耐熱及良好的散熱性和絕緣性。電阻溫度系數小,呈直線變化,短時間超負載強,低雜音,阻值經年無變化,防爆性能好,其保護作用。廣泛應用于電源適配器、音響設備、儀器儀表、電視機、汽車設備中。

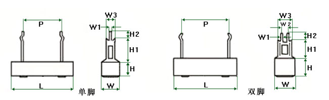
尺寸圖

![]()
RXZ 單腳尺寸表
|
功率(W)
|
尺寸(mm)
|
|
阻值范圍(Ω)
|
|||||||
|
L±1.5
|
W±1
|
H±1
|
P±1.5
|
H1±1
|
H2±0.5
|
W1±0.5
|
W2±0.5
|
W2±0.5
|
||
|
5
|
28
|
10
|
10
|
15
|
10.5
|
4.5
|
1.5
|
5
|
7
|
0.1-100K
|
|
6
|
28
|
10
|
10
|
15
|
10.5
|
4.5
|
1.5
|
5
|
7
|
|
|
7
|
36
|
10
|
10
|
20
|
10.5
|
4.5
|
1.5
|
5
|
7
|
|
|
8
|
36
|
10
|
10
|
20
|
10.5
|
4.5
|
1.5
|
5
|
7
|
|
|
9
|
48
|
10
|
10
|
30
|
10.5
|
4.5
|
1.5
|
5
|
7
|
|
|
10
|
48
|
10
|
10
|
30
|
10.5
|
4.5
|
1.5
|
5
|
7
|
|
|
11
|
48
|
10
|
10
|
30
|
10.5
|
4.5
|
1.5
|
5
|
7
|
|
|
15
|
48
|
12.5
|
12
|
30
|
30
|
4.5
|
3
|
8
|
10
|
0.2-18K
|
|
20
|
63
|
15
|
13
|
42
|
30
|
4.5
|
3
|
8
|
10
|
0.2-20K
|
|
25
|
63
|
15
|
13
|
42
|
30
|
4.5
|
3
|
8
|
10
|
|
|
30
|
75
|
19
|
19
|
55
|
25
|
4.5
|
3
|
8
|
10
|
0.3-39K
|
|
40
|
88
|
19
|
19
|
72
|
24
|
4.5
|
3
|
8
|
10
|
0.5-56K
|
|
50
|
88
|
19
|
19
|
72
|
24
|
4.5
|
3
|
8
|
10
|
|
主要檢測項目,試驗方法及性能要求
|
檢驗項目
|
性能要求
|
試驗方法
|
| 電阻溫度系數 |
≤±250(×10-6/℃) |
-55℃/+20℃ 20℃/+155℃ |
| 引出端強度 |
R≤±(1%R+0.05Ω) |
拉力20N 彎曲連續兩次
|
| 耐電壓 |
無擊穿或飛弧
|
V型塊法,施加交流電壓,其峰值為絕緣電壓的1.42倍,1min
|
| 可焊性 |
焊料能自由流動并與引線潤濕
|
235±5℃ 2±0.5s |
| 耐焊接熱 |
ΔR≤±(1%R+0.05Ω) |
260±5℃ 10±1s |
| 過載 |
ΔR≤±(2%R+0.1Ω) |
2.5VR 5s
|
| 溫度快速變化 |
ΔR≤±(1%R+0.05Ω) |
-55℃/+125℃ 5次循環
|
| 振動 |
ΔR≤±(1%R+0.05Ω) |
10~500Hz 98m/s2 |
| 長期負荷 |
ΔR≤±(5%R+0.05Ω) |
+40±2℃ VR 1000h
|
| 不燃性 |
不可燃燒
|
分別按5,10,16倍額定功率交流電壓5分鐘
|
| 表面溫升 |
≤210℃
|
施加額定功率負荷
|
| 穩態濕熱 |
ΔR≤±(5%R+0.1Ω) |
+40±2℃ 濕度95~98% 240h
|

北京時代嘉盈科技有限公司
|
聯系電話:010-62535317,010-62624819
|
![]() |
| * 聯系人: | 請填寫您的真實姓名 |
| * 手機號碼: | 請填寫您的聯系電話 |
| 電子郵件: | |
| * 訂購意向描述: | |
| 請填寫訂購的產品數量和產品描述,方便我們進行統一備貨。 | |
| 驗證碼: | 看不清?! |
| 我要評論: | |
| 內 容: |
(內容最多500個漢字,1000個字符) |
| 驗證碼: | 看不清?! |
聯系電話:010-62535317
010-62624819
技術支持:010-81887377
業務電話:0317-3509666
Email:win-age@126.com
地址:北京市通州區漷縣工業開發區17號
河北廠址:河北省滄州市高新區青海大道科技創業園69號1層






共有-條評論【我要評論】